

HX-1410旋風除塵器的特點:本除塵器可由單筒及數個單筒組合使用;錐體底部帶有反射屏,防止二次氣流將已分離的粉塵重新揚起;帶有料位料封裝置,除塵效率高,可達95%;內壁涂抹有20毫米的耐磨,耐高溫襯料,其耐溫達450℃以上,可直接處理高溫廢氣.
服務電話:13091153069(同微信)
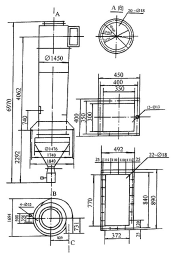
一、特點
1、本除塵器可由單筒及數個單筒組合使用,單筒處理風量為15000-18000m3/h。
2、錐體底部帶有反射屏,防止二次氣流將已分離的粉塵重新揚起。
3、帶有料位料封裝置,除塵效率高,可達95%。
4、內壁涂抹有20毫米的耐磨、耐高溫襯料、基耐磨性能是普通碳素鋼的20-30倍,其耐溫達450℃以上,可直接處理高溫廢氣。
二、技術性能
| 型號 | 1-HX-Φ1410 |
2-HX-Φ1410 |
4-HX-Φ1410 | 5-HX-Φ1410 |
6-HX-Φ1410 |
8-HX-Φ1410 | 10-HX-Φ1410 |
| 處理風量m3/h | 15000-17500 | 30000-35000 | 60000-70000 | 75000-87000 | 90000-105000 | 129000-140000 | 150000-175000 |
| 入口風速m/s |
18-22 |
||||||
| 總阻力Pa | <1470(150毫米汞柱) | ||||||
| 允許入口O高溫度℃ | 450 | ||||||
| 除塵效率% | >95 | ||||||
| 設備重量T | 2.2 | 4.4 | 8.8 | 11 | 13.2 | 17.6 | 22 |
| 備注 |
1、設備重量中不包括耐高溫、耐磨襯料、每筒襯料重1.57噸 |
||||||
